Model TR Series
인장형 로드셀 (50kg ~ 10t)

완전밀폐구조형으로 레미콘공장의 골재 계량호퍼등 가혹한 환경의 산업용 계량시스템에 적합합니다.
고강도 합금강을 사용하여 고정밀도와 고출력을 실현하였습니다 

 -완전밀폐구조
 -견고한 설계
 -고출력(3mV/V)


제품사양

모델TRUTRCTRD
정격용량(R.C.) 50, 100, 200, 300, 500kg. 1, 2, 3, 5, 10t
정격출력(R.O.)3mV/V ± 0.1% 3mV/V ± 0.2%
비직선성≤0.02% R.O.≤0.03% R.O.≤0.05% R.O.
히스테리시스≤0.02% R.O.≤0.03% R.O.
반복성≤0.02% R.O.≤0.03% R.O.
크리이프≤0.02% in 20min.≤0.03% in 20min
제로발란스≤1% R.O.
온도보상범위-10 ~ 70°C
허용온도범위-20 ~ 80°C
출력의 온도영향 ≤0.03% LOAD/10°C ≤0.05% LOAD/10°C
영점의 온도영향≤0.03% R.O./10°C ≤0.05% R.O./10°C
입력간저항350 Ohms ±3.5 Ohms
출력간저항350 Ohms ±5 Ohms
절연저항5000 MOhms at 50V DC 2000 MOhms at 50V DC
인가전압 3~12V(Recommended), 15V(Maximum)
연결케이블 Ø9mmx5m(22AWG x 4Core Shielded)
보호등급 meets IP 67
허용과부하 150% R.C
극한과부하300% R.C

  


형식명

형식명      
TRC
-5T

 
-모델
-용량
 
 TRU

50 , 100 , 200 , 300 , 500kg
 TRC

1 , 2 , 3 , 5 ,10ton 
 TRD     

 

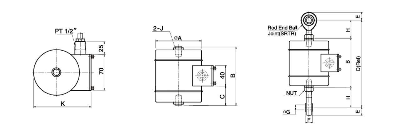
결선도


도면

정격용량ABCDEFGHJKRod End 자중(kg)
 Ball Joint 
50~300kg (980.7N~2942N)881103519216161241M12×1.25112SRTR12.8
500~1000kg (4902N~9807N)10633188Depth 13
2t ~5t (19.61kN~49kN)8814552.525532282255M24×2112SRTR24.5
Depth 30
10t (98.07kN)13821070430504340110M39×2171SRTR312.5
Depth 50