MODEL : CSB SERIES

인장 압축형 로드셀(20kgf ~ 2tf)

- 시험기, 테스트용에 적합
- 고정밀 로드셀

제품사양

CSB SERIES
정격용량 (R.C.)20,50,75,100,200,250,500kgf, 1tf, 2tf
정격출력 (R.O.)2.0±0.005mV/V
비직진성0.03% of R.O.
크리이프0.03% of R.O.
반복성0.01% of R.O.
영점발란스0± 0.2mV/V
입력저항430 ±40Ω
출력저항350 ±3.5Ω
절연저항>2000㏁@50V DC
온도보상범위-10~40℃
허용온도범위-20~80℃
영점의 온도영향0.028% of R.O./10℃
출력의 온도영향0.015% of R.O./10℃
인가전압10-15V
재질20kgf~250kgf아노다이징 알루미늄
500kgf~2tf니켈 도금 스틸
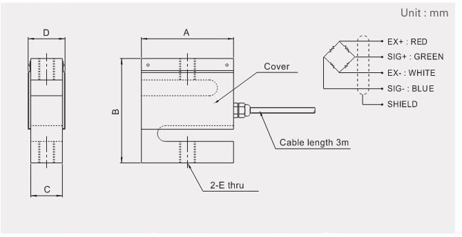
케이블길이Braided shield 4-wire round cable with PVC-jaket, 3m 


도면

CapacityABCDE
20kgf70802432M12×1.75
50kgf
75kgf
100kgf
200kgf
250kgf
500kgf
1tf801003038M18×1.5
2tf

*제품의 사양은 성능 개선을 위해 예고 없이 변경될 수 있습니다.