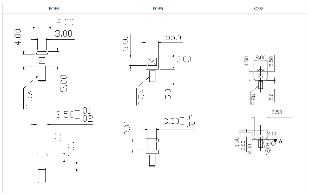
MODEL : KC-F4/F5/F8

 - FLAT TIP


특징















평팁은 측정 대상물이 구슬처럼 폭이 좁은 경우에 사용하면 유용합니다.
요구되는 경도에 따라 SUS420열처리 팁과,초경팁 두종류가 있습니다. 
사양

























품번재질






KC-F4SUS420






KC-F5SUS420






KC-F8SUS420
















사이즈
















실물사진


KC-F4 FLAT TIP

KC-F5 FLAT TIP

KC-F8 FLAT TIP

*제품의 사양은 성능개선을 위해 예고없이 변경될 수 있습니다.