TFFFlange Type Reaction Torque Transducer (50kgf.cm~50000kgf.cm)


FEATURE










·  플랜지 타입의 비회전형 토크센서
·  컴팩트한 디자인이며 설치가 간편
·  고정된 기기 또는 0~90도 각도내에서 토크측정
·  제품 파단시험, 감속기, 각종 액츄에이터 토크측정
·  주문제작 가능 : 1000kgf.m, 2000kgf.m





 

 

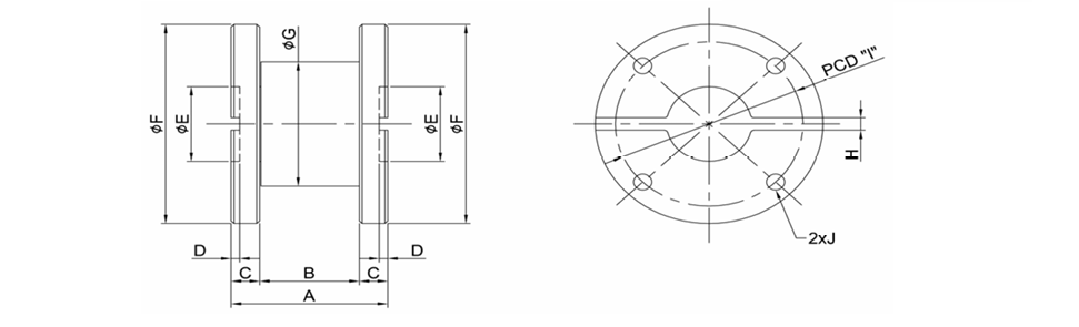
DIMENSION ( mm)
























 
  



Rated CapacityABCDΦEΦFΦGHIJ
 10, 20, 50kgf·cm55351033080505664-Φ6.5
100, 200kgf·cm55351033080505664-Φ6.5
500, 1000kgf·cm55351033080505664-Φ6.5
2000kgf·cm805015340985010786-Φ10.5
5000kgf·cm12080205601187512956-Φ10.5
10000kgf·cm130902066014675161156-Φ14
20000kgf·cm14090257.56016688201306-Φ18
50000kgf·cm17010035108019798281556-Φ20