CTPCable Extension Position Transducer (0.5m~2m)


 

FEATURE













·  Wire를 이용한 이동거리, 위치, 회전각 수위측정
·  각종설비 및 구조물의 위치 제어에 폭넓게 적용
·  저항 출력방식 이며 입력전압 대 출력 전압비로 출력







 

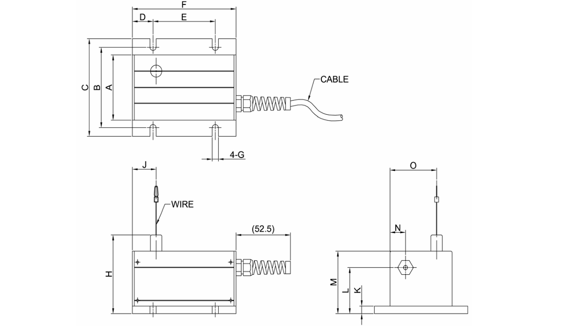
DIMENSION ( mm)
































 
  





 
StrokeABCDEFGHJKLMNO
0.5m ~ 1m607490206010067223742571545
2m10011913525651158.5120.826.59741062587