비접촉식 회전형 토크센서

- 샤프트 타입의 회전형 비접촉식 디지털 토크센서

회전하는 기기의 정적, 동적 토크측정 및 RPM(옵션) 측정 (10,000RPM)

- 출력 형식은 CAN Digital type 으로 Analog type에 비해 선로 NOISE영향이 적음

- CARRIER 주파수에 의한 간섭이 없음(SYNC 불필요)

- 모터 부하테스트, 볼트 체결력, 감속기, 자동차 부품등의 토크 측정

- Amplifier 내장형으로 mV/V 출력형 센서에 비해 NOISE 영향을 최소화


제품 사양

 SNR Series
정격용량(R.C.)1,2,5,10,20,50,100,200,300,500 kgf·m
종합오차≤ 0.2% R.O.
반복성≤ 0.2% R.O.
크리프(30분)≤ 0.2% R.O.
제로 밸런스≤ 0.1% F.S.
분해능± 1/30,000
공급전원12 ~ 28V DC
출력형식CAN DIGITAL DATA
출력속도2000회/초
출력의 온도영향≤ 0.2% LOAD / 10℃
영점의 온도영향≤ 0.2% R.O. / 10℃
허용 과부하150% R.C.
온도 보상범위0 ~ 60℃
연결 케이블φ 5 Shield 5m



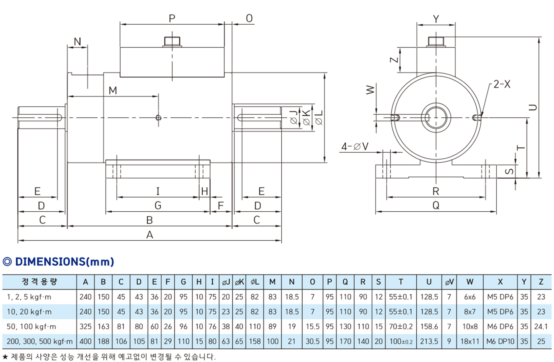
제품 도면

1. SNR Series