접촉식 회전형 토크센서

- 샤프트 타입의 회전형 접촉식 토크센서

회전하는 기기의 정적, 동적 토크측정 및 RPM(옵션) 측정

- 모터 부하테스트, 볼트 체결력, 감속기, 자동차 부품등의 토크 측정

- 컴팩트한 디자인으로 미세 토크측정


제품 사양

 SCR Series
정격용량(R.C.)5, 10, 20, 50, 100, 200, 500, 1000 kgf·cm
정격출력(R.O.)1.3 ± 0.3 mV/V
종합오차≤ 0.25% R.O
반복성≤ 0.25% R.O
크리프(30분)≤ 0.25% R.O
제로 밸런스0 ± 0.05 mV/V
입력 단자간 저항352Ω ± 1%
출력 단자간 저항352Ω ± 1%
절연 저항> 200MΩ
출력의 온도영향≤ 0.2% LOAD / 10℃
영점의 온도영향≤ 0.2% R.O. / 10℃
인가전압5V, 10V DC
허용 과부하150% R.C.
온도 보상범위-10 ~ 60℃
연결 케이블φ 5 Shield 5m



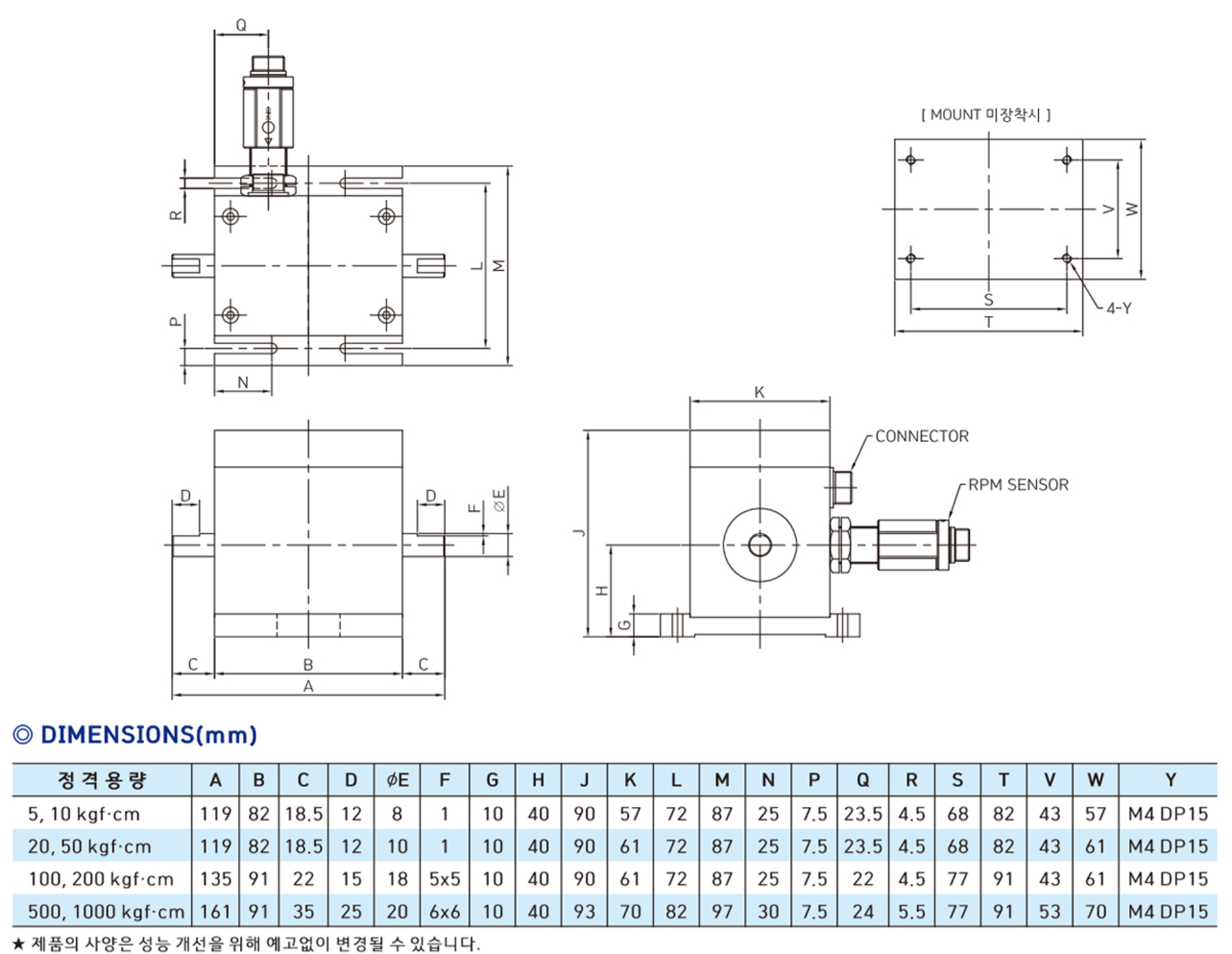
제품 도면

1. SCR Series