EM-DLC (Electromagnetic Digital Loadcell)
아날로그 / 디지털 컨버터가 내장된 전자석 디지털 로드셀

ⅰ. 정량토출, 반도체, 디스플레이, 2차전지 주액라인 등의 정량제어 첨단 자동화 시스템 공정에 적용!

     - 0.5초의 빠른 응답속도와 1mg의 고정밀도 SHS 센서
     - AD-4212C-300/600 : 1mg의 감도
     - AD-4212C-3000/6000 : 10mg의 감도 

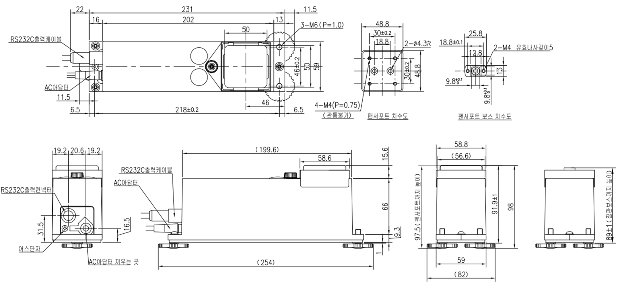
ⅱ. 폭 59mm 의 초슬림 사이즈

ⅲ. 전자석 디지털 로드셀 사용

ⅳ. 다이렉트 디지털 데이터 출력 
     - 디지털 계량 데이터를 PC 또는 PLC 등에 표시부없이 RS-232C 통신으로 직접 전송

ⅴ. 50회/초의 빠른 데이터 전송 속도

ⅵ. 100kg의 하중에도 견디는 충격 흡수 기능

ⅶ. 다양한 구성의 설계 적용 사례
     - 사용자가 용도에 맞게 다양한 조건에서 적용하기 쉽도록 설계되어 현장에 적용하기 적합.


 제품 사양

ModelAD-4212C-301AD-4212C-300AD-4212C-600AD-4212C-3100AD-4212C-3000AD-4212C-6000

용량(g)

51g / 320g320g610g510g / 3200g3200g6100g

최소 표시 (g)

0.0001 g / 0.001g0.001g0.001 g / 0.01g0.01g

최소표시 (mg) 

0.1mg / 1mg1mg1mg / 10mg10mg
재현성0.2mg / 1mg1mg2mg / 10mg10mg
직선성  ±2mg±2mg±5mg±20mg±20mg±40mg
안정시간0~30g : 0.5초
30~320g : 1.0초30~320g : 1.0초30~610g : 1.0초30~3200g : 1.0초30~3200g : 1.0초30~6100g : 1.0초
사용온도/습도5°C ~ 40°C, 습도 85% 이하
I/O unit RS-232CBi-directional, 2400 (공장 출하시) ~ 19200 bps
제품크기59 (W) x 231 (D) x 91 (H) mm
계량판 크기50 x 50 mm
제품중량약 1.6 kg
연결케이블약 10m
전원AC 아답터 220V, 50/60 Hz, 약 11VA


옵션
AD1683              정전기 제거기
AD1684              정전기 측정기
AD1689              교정 분동용 핀셋
AD8923-BCD       리모트 디스플레이 (BCD 카드 포함)
AD8923-CC         리모트 디스플레이 (CC-link 포함)
AD8922A            리모트 디스플레이 (RS-232C 포함)
AD-8526            시리얼 / 이더넷 컨버터
AD-8951            비교 경광등
AX-USB-9P         시리얼/USB 컨버터
AD-720Di           도트 매트릭스 프린터



도면