EM-DLC (Electromagnetic Digital Loadcell)
최대 20Kg 고하중용 초정밀 디지털 로드셀 (Production weighing system)

ⅰ. 정량토출, 반도체, 디스플레이, 2차전지 주액라인 등의 정량제어 첨단 자동화 시스템 공정에 적용!

     - 0.5초의 빠른 응답속도와 1mg의 고정밀도 SHS 센서
     - AD-4212F-6203D : 1mg / 10mg의 감도
     - AD-4212F-10202 : 10mg의 감도
     - AD-4212F-22001 : 100mg의 감도

ⅱ. 폭 80mm 의 슬림 사이즈

ⅲ. 전자석 디지털 로드셀 사용

ⅳ. 다양한 연결 방법 RS-232C / RS-485 출력
     - AD-4212F 시리즈는 RS-232C 또는 RS-485 케이블(별매)을 연결하여 사용할 출력을 선택 가능
     - RS-485를 사용하여 데이지 체인 연결을 통해 AD-4212F 시리즈를 최대 31대에 연결하여 명령 가능

ⅴ. 전자 제어 부하(ECL)를 이용한 자가 점검

ⅵ. 충격감지(ISD): AD-4212F 시리즈는 중량 센서에 가해지는 충격 하중을 감지하고 충격 정도에 따라 경고를 표시합니다.

ⅶ. 특수 계량 팬 / 지그
     - AD-4212F 시리즈는 표준 계량 팬을 제거할 수 있으므로 시스템/애플리케이션 요구 사항을 충족하는 특수 계량 팬/지그를 설계 및 장착 가능


 제품 사양

ModelAD-4212F-6203DAD-4212F-10202AD-4212F-22001
용량(g)510g/6200g10200g22000g
최소표시 (g)0.001g/0.01g0.01g0.1g
최소표시 (mg)1mg/10mg10mg100mg
재현성0.2mg / 1mg0.01g0.1g
직선성±0.02g±0.03g±0.2g
안정시간d=0.001g 1.3초0~300g 0.5초0~300g 0.5초
d=0.01g 1.0초300~10200g 1.0초300~22000g 1.0초
사용온도/습도5°C ~ 40°C, 습도 85% 이하(결로가 없을 것)
I/O unit RS-232C양방향, 600~115200bps (2400bps 공장 출하시)
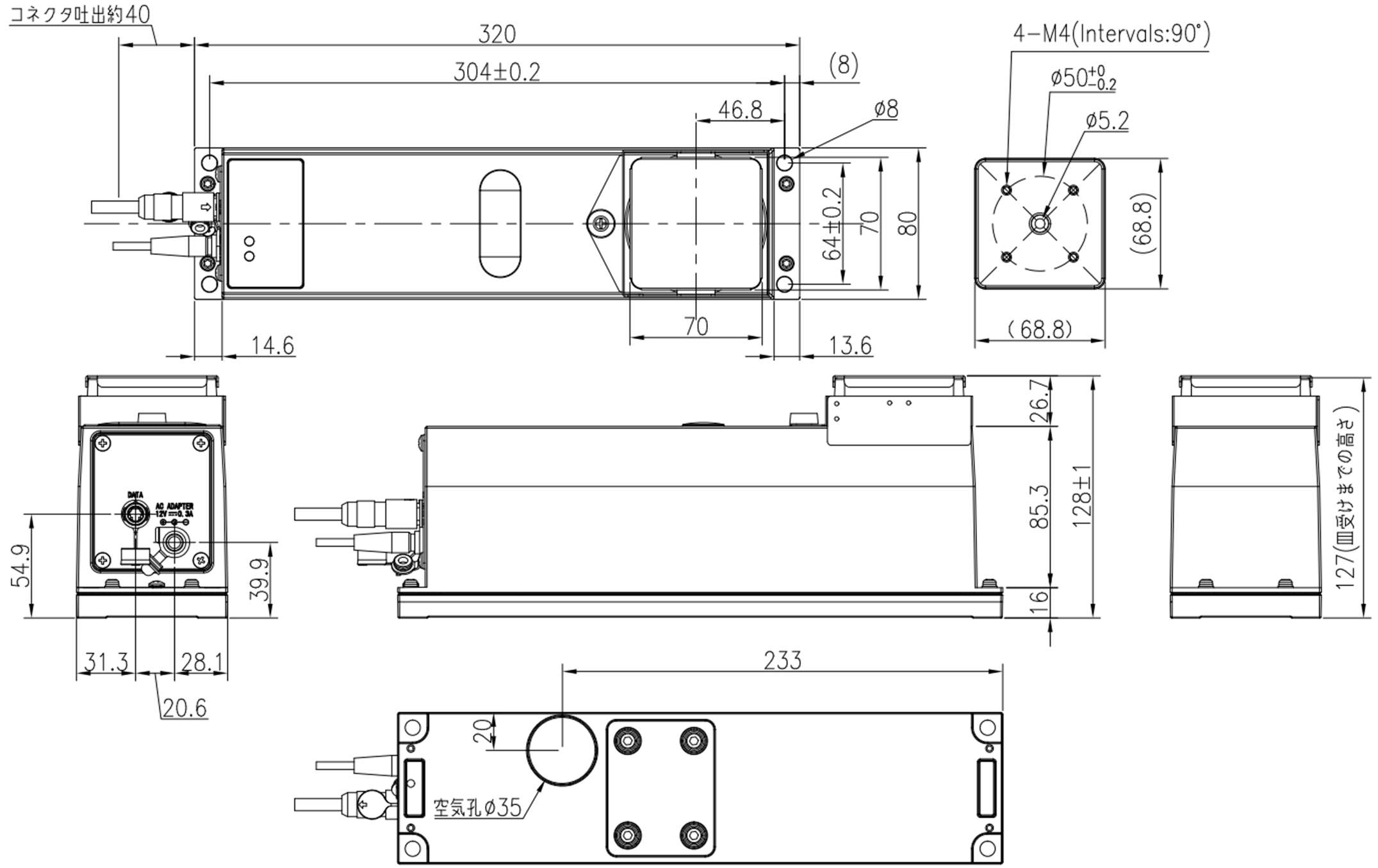
제품크기80 (W) x 320 (D) x 128 (H) mm
계량판 크기70 x 70 mm
제품중량약 3.2 kg
연결케이블옵션(2/5/10m)
전원AC 아답터./ 약 30VA


옵션
AD4212F-29            데이지 체인 연결을 위한 RS-485 인터페이스
AX-KO3590-200       RS-232C 케이블(2m)
AX-KO3590-500       RS-232C 케이블(5m)
AX-KO3590-1000     RS-232C 케이블(10m)
AX-KO7796-1000     RS-232C 케이블(UL규격)(19m)
AX-KO7522-500       PLC 연결용 RS-485 케이블(5m)
AX-KO7622-200       데이지 체인 연결용 RS-485 케이블(2m)
AD-1683A               정전기 제거기
AX-USB-9P              RS-232C/USB 변환기(케이블 포함)



도면