Model CBESA Series
압축형 로드셀 (50kg ~ 20t)

콤팩트한 사이즈로 폭넓은 시험 및 계량시스템에 적합합니다.
일체형으로된 엘리멘트에 스테인레스 카바를 용접하여 내환경 특성이 우수합니다 

-17-4PH 고강도 스테인레스강 사용
- 완전 밀폐 구조
- 콤팩트한 사이즈


제품사양  

모델CBESA
정격용량 (R.C.)50, 100, 200, 500 kg
1, 2, 3, 5, 10 ,20 ton
정격출력 (R.O.)2.0mV/V±0.25%
비직선성≤0.1% R.O.
히스테리시스≤0.05% R.O.
반복성≤0.05% R.O.
크리이프≤0.03% in 20min.
제로발란스≤1% R.O.
온도보상범위-10 ~ 70°C
허용온도범위-20 ~ 80°C
출력의 온도영향 ≤0.05% LOAD/10°C
영점의 온도영향 ≤0.05% R.O./10°C
입력간저항700 Ohms ±10 Ohms
출력간저항 700 Ohms ±10 Ohms
절연저항 2000 MOhms at 50V DC
인가전압 3~12V(Recommended), 15V(Maximum)
연결케이블50kg~2tØ5mmx3m (22AWG x 4Core Shielded)
3~20tØ7mmx5m (22AWG x 4Core Shielded)
보호등급meets IP 68
허용과부하150% R.C
극한과부하300% R.C


형식명

형식명      
CBESA
-2T

 
-모델
-용량
 
 CBESA

50, 100, 200, 500kg
 


1, 2, 3, 5, 19 ,20 ton
       

 

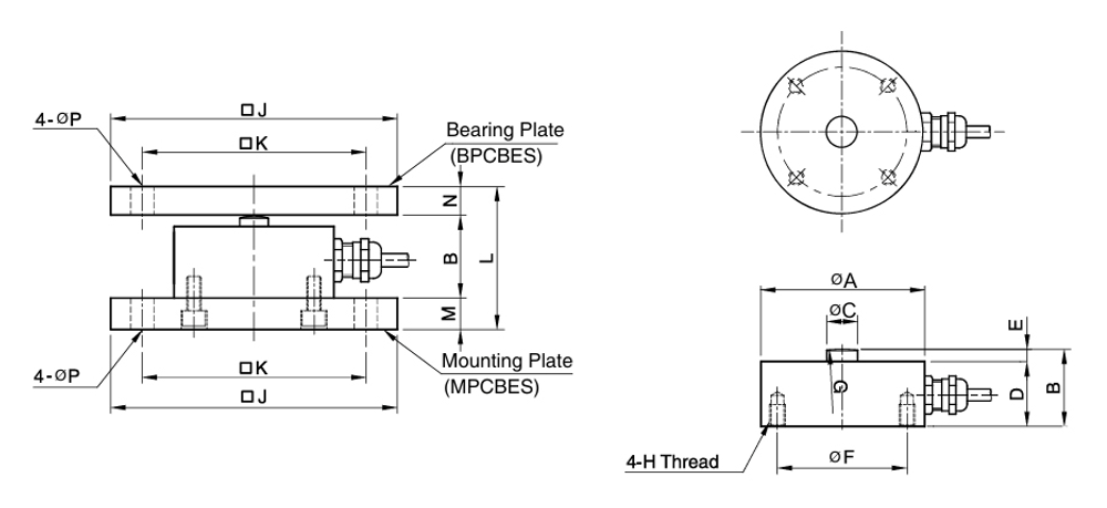
결선도


도면

 

CapacityΦABΦCDEΦFGHJKLMNPBearing plateMounting plate자중(kg)
50kg ~ 2t
 (490.3N ~ 19.61kN)
52251021442R50M5x0.8P
 Depth 7
100785515158BPCBES-1MPCBES-S10.4
3t ~ 10t
 (29.42kN ~ 98.07kN)
88452040572R150M6x1P
 Depth 10
160126105303014BPCBES-2MPCBES-S21.9
10t
 (196.1kN)
108502045590R250M8x1.25P
 Depth 10
160126110303014BPCBES-3MPCBES-S33