Model CDES Series
압축 & 인장형 로드셀 (50kg ~ 2t)

콤팩트한 사이즈로 폭넓은 시험 및 계량시스템에 적합합니다.
일체형으로된 엘리멘트에 스테인레스 카바를 용접하여 내환경 특성이 우수합니다.

-17-4PH 고강도 스테인레스강 사용
- 완전 밀폐 구조
- 콤팩트한 사이즈


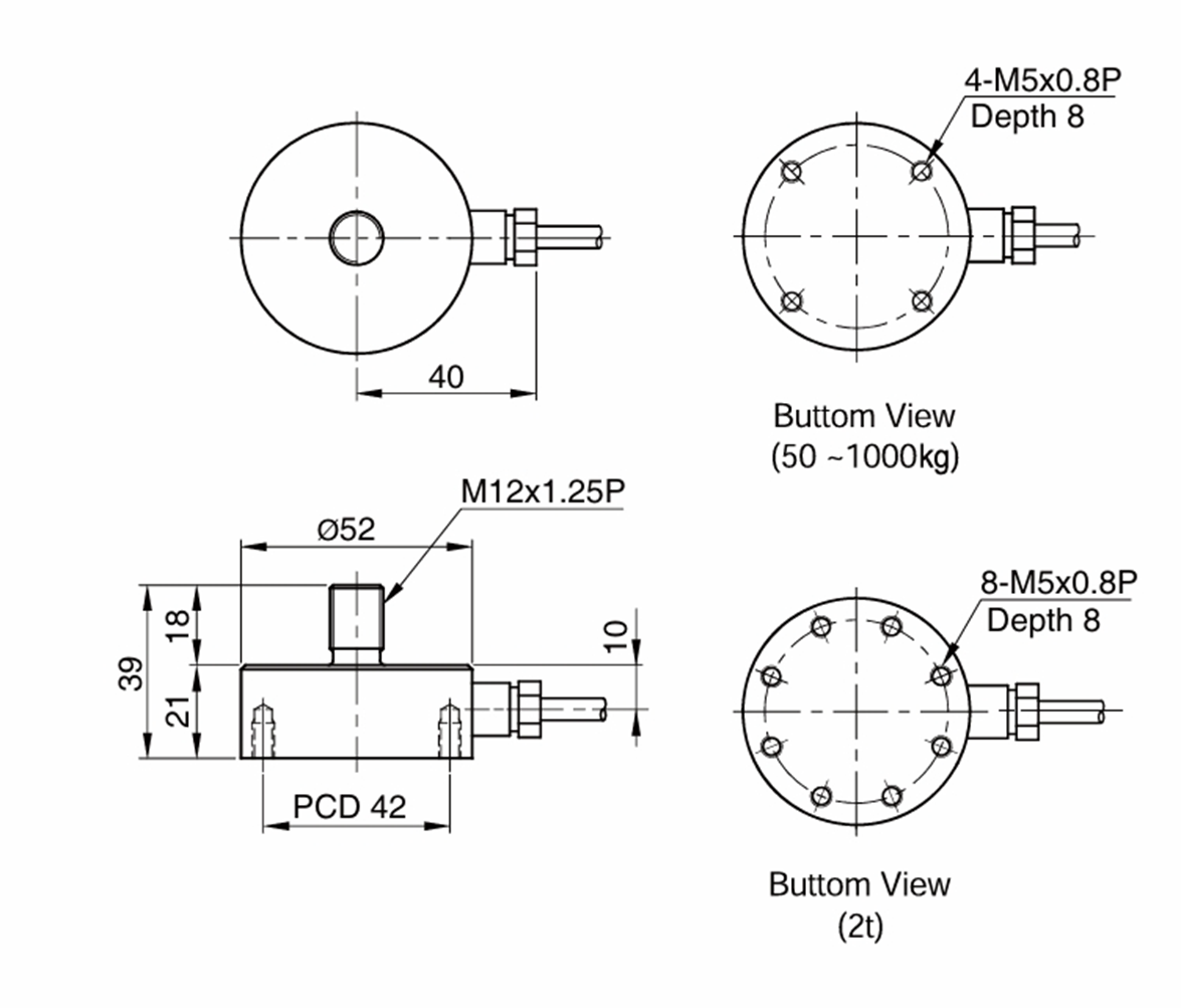
제품사양  

모델CDES
정격용량 (R.C.)50, 100, 200, 500kg, 1, 2ton
정격출력 (R.O.)2.0mV/V ±0.25%
비직선성≤0.1% R.O.
히스테리시스≤0.1% R.O.
반복성≤0.05% R.O.
크리이프≤0.03% in 20min.
제로발란스≤1% R.O.
온도보상범위-10 ~ 70°C
허용온도범위-20 ~ 80°C
출력의 온도영향 ≤0.05% LOAD/10°C
영점의 온도영향 ≤0.05% R.O./10°C
입력간저항700 Ohms ±10 Ohms
출력간저항700 Ohms ±10 Ohms
절연저항 2000 MOhms at 50V DC
인가전압 3~12V(Recommended), 15V(Maximum)
연결케이블Ø5mmx3m (22AWG x 4Core Shielded)
보호등급 meets IP 68
허용과부하150% R.C
극한과부하300% R.C


형식명

형식명
Load Cell



 
CBESA-2T
 
-모델
-용량
 
CBESA
50, 100, 200, 500kg , 1, 2ton
     
Tension Plate     
TPCD


 
-모델
-용량
 
TPCD
50, 100, 200, 500kg , 1, 2ton
TPBCD


 
     

 

결선도


도면