Model DBBP Series
S-Beam형 로드셀 (20kg~5t)

콤팩트하며 고정밀도(1/3000 이상)의 장점으로 옥내에 설치되는 호퍼스케일 및 각종 시험기에 폭넓게 사용 됩니다.

- 고강도 합금강 사용
- 무전해 니켐 도금
- 방습재 풋팅 처리

제품사양

모델DBBP
정격용량 (R.C.)50, 100, 200, 300, 500kg
 1,2,3,5ton
정격출력 (R.O.)3.0mV/V ±0.5%
비직선성≤0.03% R.O.
히스테리시스≤0.03% R.O.
반복성≤0.02% R.O.
크리이프≤0.03% in 20min.
제로발란스≤1% R.O.
온도보상범위-10 ~ 70°C
허용온도범위-20 ~ 80°C
출력의 온도영향 ≤0.02% LOAD/10°C
영점의 온도영향 ≤0.02% R.O./10°C
입력간저항350 Ohms ±3.5 Ohms
출력간저항 350 Ohms ±5 Ohms
절연저항 2000 MOhms at 50V DC
인가전압 3~5V(Recommended), 10V(Maximum)
연결케이블Ø5mmx3m (22AWG x 4C실드)
보호등급 meets IP 67
허용과부하150% R.C
극한과부하300% R.C

  

형식명

형식명     
DBBP
-2T
 
-모델
-용량 
 DBBP

20, 50, 100, 200, 500kg
    1, 2, 3, 5t 

 

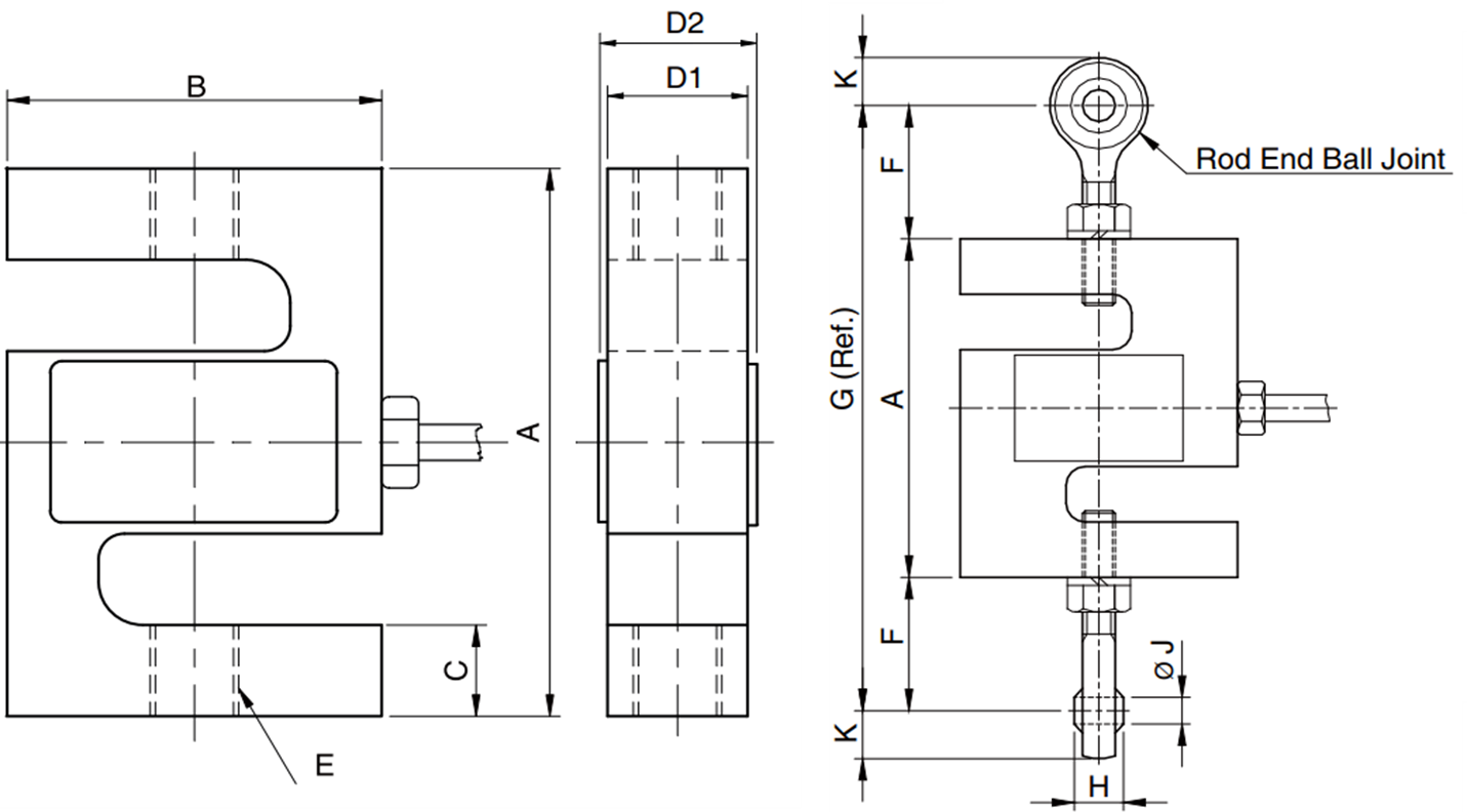
결선도


도면

정격 용량A (mm)B (mm)C (mm)D1 / D2 (mm)EF (mm)G (mm)H (mm)J (mm)K (mm)Rod End Ball Joints자중 (kg)
20~100kg (196.1 ~ 980.7N)63.550.810.412.7 / 19.0M6x1P25113.5969SRDB 10.4
200, 500kg (1.961, 4.903kN)76.250.812.719.0 / 25.0M12x1.75P41158.2161216SRDB 20.55
1t (9.807kN)76.250.81625.4 / 28M12x1.75P41158.2161216SRDB 20.73
2t (19.61kN)10876.22032.0 / 34.6M20x1.5P55218252023SRDB 31.7
3, 5t (29.42, 49.03kN)120.788.922.132.0 / 34.6M24x2P55230.7282232SRDB 42.1