Model DBCR Series
S-Beam형 로드셀 (100kg~5t)

- 1/3,000 고정밀도
-고강도 합금강 사용
- 무전해 니켐 도금
- 방습재 풋팅 처리


제품사양

모델DBCR
정격용량 (R.C.)100,200,500kg, 1,2,3,5t
정격출력 (R.O.)2mV/V±0.5%
비직선성≤0.03% R.O.
히스테리시스≤0.03% R.O.
반복성≤0.015% R.O.
크리이프≤0.03% in 20min.
제로발란스≤1% R.O.
온도보상범위-10 ~ 70°C
허용온도범위-20 ~ 80°C
출력의 온도영향 ≤0.03% LOAD/10°C
영점의 온도영향 ≤0.03% R.O./10°C
입력간저항410 Ohms ±40 Ohms
출력간저항 350 Ohms ±5 Ohms
절연저항 2000 MOhms at 50V DC
인가전압 3~12V(Recommended), 15V(Max.)
연결케이블100kg~1tØ5mmx3m (표준), 6m(옵션)
(22AWGx4C)2t~5tØ5mmx6m
보호등급meets IP 67
허용과부하150% R.C
극한과부하300% R.C

  

형식명

형식명     
DBCR
-200
 
-모델
-용량 
 DBCR

20, 50, 100, 200, 500kg
    1, 2, 3, 5t 

 

결선도


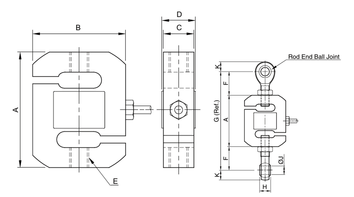
도면

정격 용량A (mm)B (mm)C (mm)D (mm)EF (mm)G (mm)H (mm)J (mm)K (mm)Rod End Ball Joints자중 (kg)
100~500kg (980.7N ~ 4.903kN)72541925M12x1.75P42156161216SRDB 20.6
1t (9.807kN)72542428M12x1.75P42156161216SRDB 20.7
2t (19.61kN)90742832M20x1.5P55200252026SRDB 31.3
3t (29.42kN)100803236M24x2P60220282232SRDB 41.7
5t (49.03kN)108863438M24x2P58224282232SRDB 42