Model DBCR Series
S-Beam형 로드셀 (100kg~5t)

- 고강도 스테인레스강 (17-4H)사용
- 완전 밀폐 구조


제품사양

모델DBWR
정격용량 (R.C.)500kg, 1, 2, 3, 5t
정격출력 (R.O.)2.0mV/V ±0.25%
비직선성≤0.03% R.O.
히스테리시스≤0.03% R.O.
반복성≤0.02% R.O.
크리이프≤0.03% in 20min.
제로발란스≤1% R.O.
온도보상범위-10 ~ 70°C
허용온도범위-20 ~ 80°C
출력의 온도영향 ≤0.03% LOAD/10°C
영점의 온도영향 ≤0.03% R.O./10°C
입력간저항350 Ohms ±3.5 Ohms
출력간저항 350 Ohms ±5 Ohms
절연저항 2000 MOhms at 50V DC
인가전압 3~12V(Recommended), 15V(Maximum)
연결케이블Ø5mmx3m (22AWG x 4Core Shielded)
보호등급 meets IP 68
허용과부하150% R.C
극한과부하300% R.C

  

형식명

형식명     
DBWR
-2T
 
-모델
-용량 
 DBWR

500kg, 1, 2, 3, 5t





 

 

결선도


도면

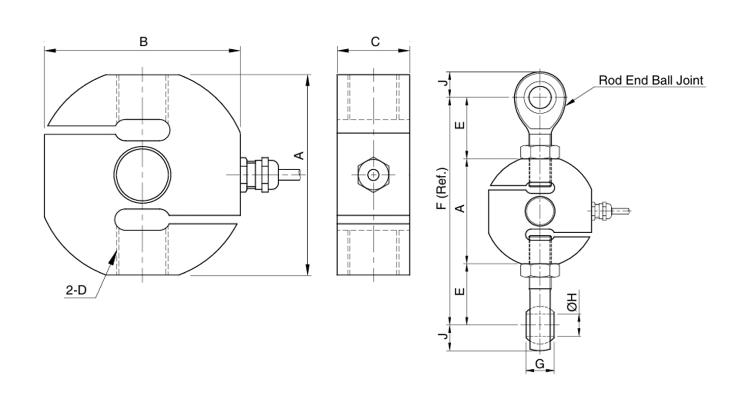
정격 용량A (mm)B (mm)C (mm)DE(mm)F (mm)G (mm)H (mm)J (mm)Rod End Ball Joints자중 (kg)
500kg, 1t (4.903, 9.807kN)766830M12x1.75P41158161216SRDB 21.1
2t (19.61kN)948432M20x1.5P55204252026SRDB 31.6
3t (29.42kN)11410034M24x2P55224282232SRDB 42.6
5t (49.03kN)11410040M24x2P55224282232SRDB 43.1