True RMS AC Current Transducer CR4100 Series

CR4100 시리즈 True RMS 전류 변환기 및 트랜스미터는 교류(AC) 전류 파형이 완전한 사인파가 아닐 때 사용하는 용도로 설계되었습니다.
이 제품들은 다른 변환기보다 더 정밀하고 정확하여, **절단파(chopped wave)**나 위상제어(phase-fired) 제어 시스템에 이상적입니다.

적용 분야 (Applications)
위상제어 방식(Phase fired control)의 히터
- 빠르게 변동하는 모터 부하
- 절단파(Chopped wave) 형태의 구동기
- 고조파 전류(Harmonic currents)

특징 (Features)
35mm DIN 레일 또는 패널 장착 가능
- 0–5VDC, 0–10VDC, 4–20mA DC 출력(24VDC 전원 사용) 제공
- 외부 전류 변류기(Current Transformer)와 함께 사용 가능
- 최고 수준의 정밀도 제공
- 케이스에 결선도(Connection diagram) 인쇄

규격 인증 (Regulatory Agencies)
UL 61010B-1 기준 충족 인증
CAN/CSA-C22.2 No. 61010-1-2004 기준에 따라 제작
IEC 61010-1 및 BS EN 61010-1 요구사항 충족


제품 사양


Basic Accuracy : 0.5%

Linearity : 10% to 100% FS

Calibration : True RMS Sensing

Thermal Drift : 500 PPM/°C     

Operating Temperature :  0°C to +60°C

Installation Category :  CAT II

Pollution Degree :  2

Insulation Voltage : 2500V/1mA/1Min

Vibration Tested To : IEC 60068-2-6,1995

Altitude : 2000 meter max.

Frequency Range :  40 Hz - 400 Hz

MTBF : Greater than 100 K hours

Cleaning : Water-dampened cloth

Supply Voltage : 24 VDC ± 10%

Output Load : 4-20 mADC - 0 to 500 Ω
                         0-5 VDC - 2K Ω or Greater

Response Time : 250 ms max. 0-90%

FS Relative Humidity : 5% to 95%, Non-Condensing

Torque Specs. : 3.0 inch lbs. (0.4Nm)

Weight : 0.5 lbs.

Supply Current:

CR4110/11......................Typical 15mA      Max 25mA
CR4120...........................Typical 25mA      Max 40mA
CR4150...........................Typical 25mA      Max 75mA
CR4160...........................Typical 40mA      Max 70mA
CR4170...........................Typical 20mA      Max 60mA
CR4180...........................Typical 55mA      Max 110mA
CR4110S.........................Typical 15mA      Max 25mA
CR4120S.........................Typical 25mA      Max 40mA


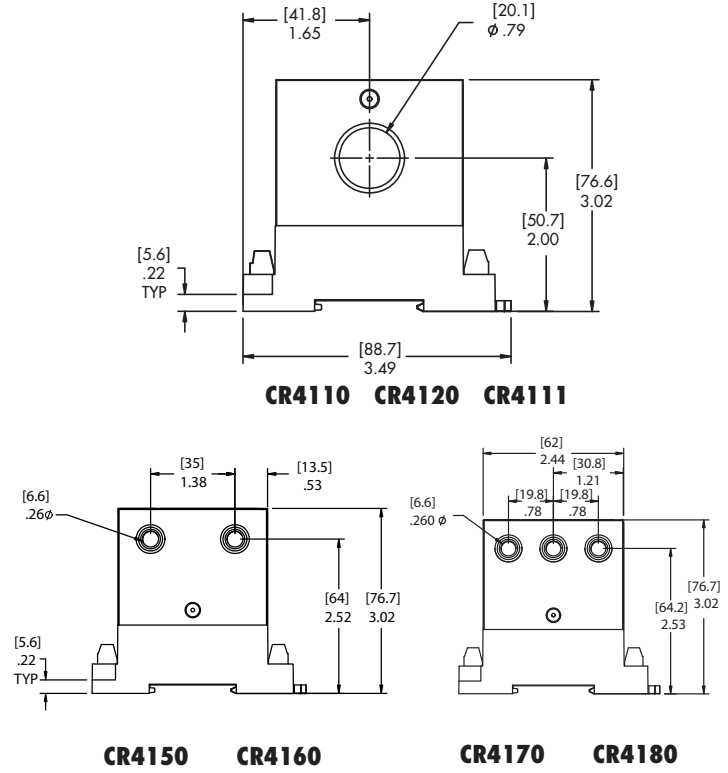
PART NUMBERS

PART NUMBERS
CR4110(S)- Single element with 0 - 5 VDC output (split core design)
CR4111(S)- Single element with 0 - 10 VDC output (split core design)
CR4120- Single element with 4 - 20 mADC output (split core design)
CR4150- Two element with 0 - 5 VDC output **
CR4160- Two element with 4 to 20 mADC output **
CR4170- Three element with 0 - 5 VDC output **
CR4180- Three element with 4 - 20 mADC output **
* Two and three element transducers are available only in ranges of 0.1 to 30 AAC


 

-> Add suffix for input range

5-0-5   AAC **
10-0-10 AAC **
15-0-15 AAC **
20-0-20 AAC **
25-0-25 AAC **
30-0-30 AAC **
40-0-40 AAC
50-0-50 AAC
75-0-75 AAC
100-0-100 AAC
150-0-150 AAC
 - Ranges available up to and including 600 AAC


결선도


도면