Self Powered AC Current Transducer

CR4210·CR4211 시리즈 전류 트랜스듀서는 별도의 전원 공급 없이 동작합니다.
이 제품은 입력되는 AC 전류의 평균 RMS 값에 비례하여 0–5 VDC 또는 0–10 VDC 신호를 출력하도록 정밀하게 보정되어 있습니다.
여러 지점을 동시에 전류 감지할 수 있도록 설계되었으며, 뛰어난 성능을 합리적인 가격대에 제공합니다.


제품 사양


PART NUMBERS


결선도

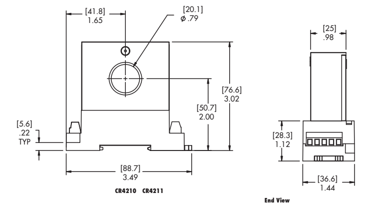
도면