ABSOLUTE TYPE DIGITAL LINEAR GAUGE(No lost its position)

- Measuring range : 15mm

- Resolution : 0.1㎛

- Accuracy : ±1㎛

- Direct Cable Option : 2/5/10m


제품 사양

ModelDL-15SDL-15S-RS
Measuring principleOptical absolute linear encoder
Measuring Range(MR)15mm
Resolution0.1㎛
Accuracy±1㎛
Measuring Force(±25%, in the middle pos.)80g(0.8N)
OutputNone*1RS-485
Cable length Direct Cable Option : 2/5/10m
External DiameterΦ8
Protection ratingIP64
Operating temp5 ~ 50℃, ref. temperature 20°C
Mass(except cable)Approx. 45g
*1 : Connected to ML series only.


제품 도면

  1. DL-15S

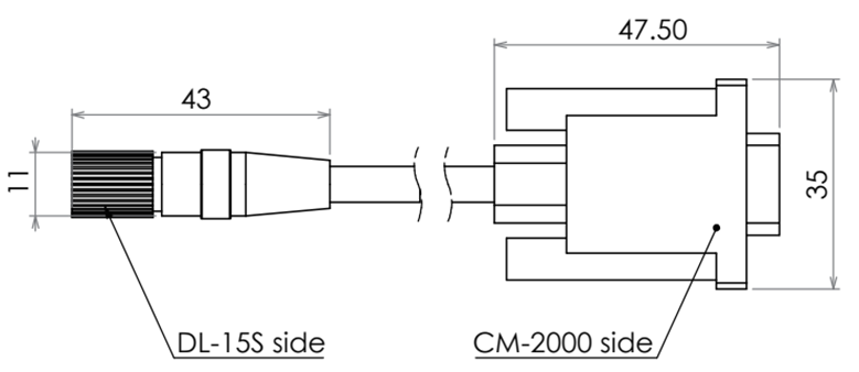
Direct Cable Option

  1. Cable for DL-15S
    - DLDSC-02(2M)
    - DLDSC-05(5M)
    - DLDSC-10(10M)
  2. Cable for DL-15S-RS
    - DLDSC-02-RS(2M)
    - DLDSC-05-RS(5M)
    - DLDSC-10-RS(10M)