MODEL : XJC-X01
각형 로드셀(250kg)

- 고정밀  스트레인 게이지 원리
- 0~250kg 범위의 힘 측정
- 컴팩트 사이즈로 설치 및 사용이 편리
- 높은 정밀도와 높은 안정성




제품사양

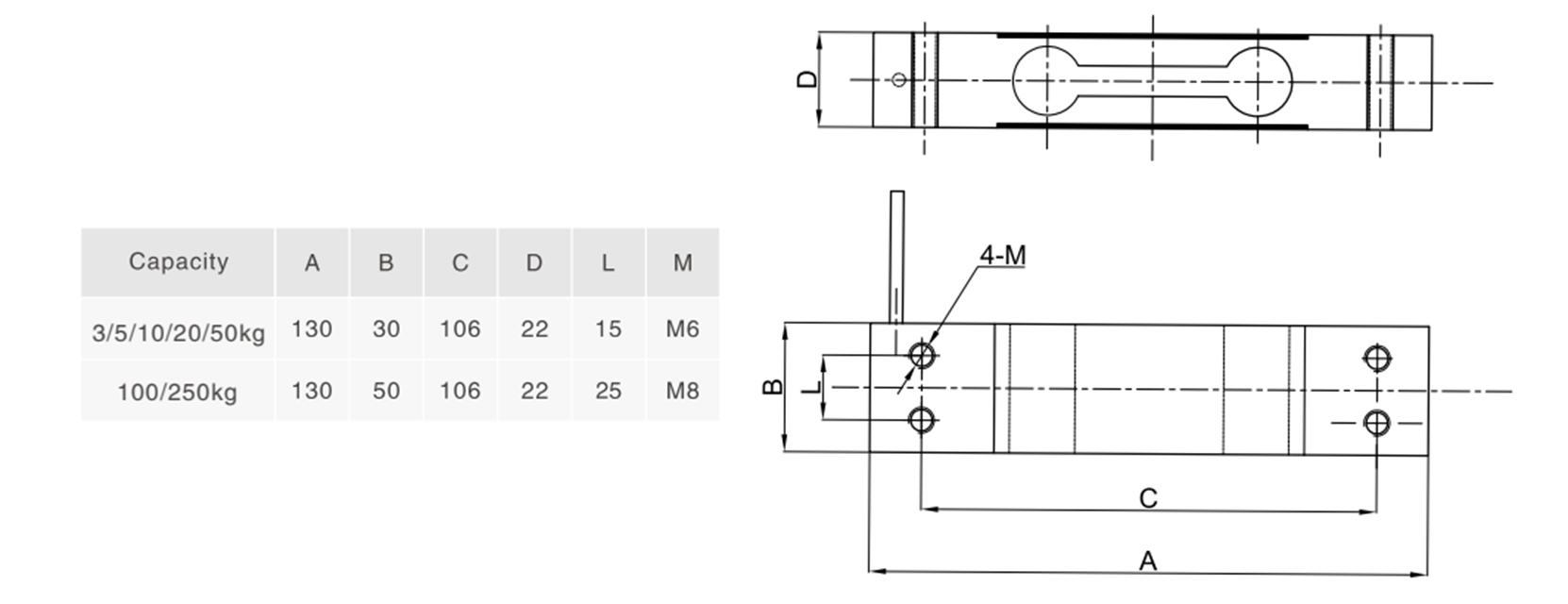
XJC-X01 SERIES
정격 용량3kg,5kg,10kg,20kg,50kg,100kg,250kg재질합금강
비선형성0.03% F.S.정격 출력2.0±10%mV/V
작동 전압5 - 10VDC최대 작동 전압10 VDC
 보호 등급   IP 65 보상 온도 범위-10~40℃
히스테라시스0.03%F.S.작동 온도 번위- 20~ 80℃
반복성0.03%F.S.절연 저항≥ 5000MΩ/100VDC
입력 임피던스400±50Ω출력 임피던스350±5Ω
CREEP(30분)0.03%F.S.출력에 대한 온도 영향0.05% F.S./10℃
영점 출력±2%F.S.온도가 제로에 미치는 영향0.05% F.S./10℃
허용 과부하150%최대 하중 한계200%
케이블 사이즈Φ4x4m수명풀스케일 100만회 이상
케이블 연결Ex+: 빨강 , Ex-: 검정 , Sig+: 녹색 , Sig-: 백색




하중방향





도면