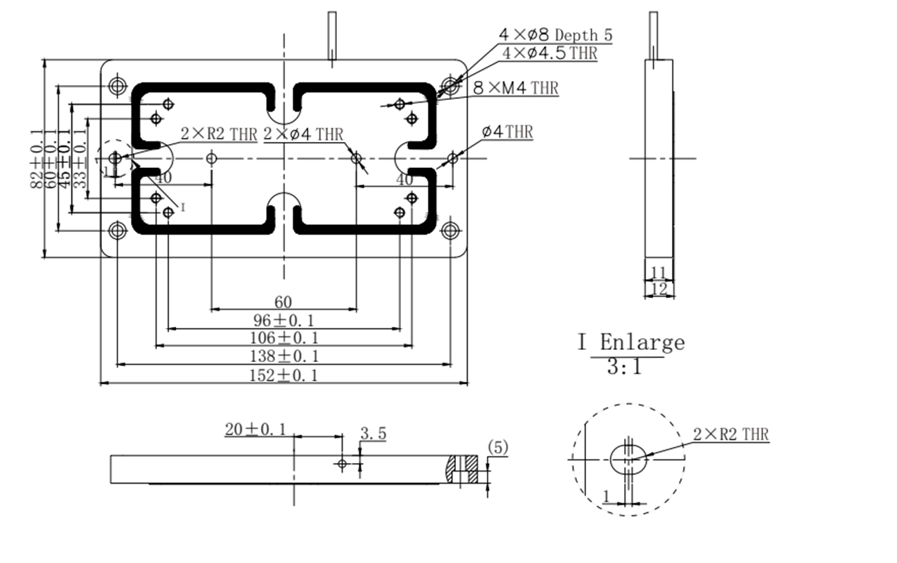
MODEL : XJC-B-D152-H12
각형 로드셀(1000kg)

- 고정밀  스트레인 게이지 원리
- 0~1000kg 범위의 힘 측정
- 설치 및 사용이 편리
- 높은 정밀도와 높은 안정성




제품사양

XJC-B-D152-H12 SERIES
정격 용량20kg,50kg,100kg,200kg,1000kg재질스테인레스스틸,합금강,알류미늄합금
비선형성0.5% F.S.정격 출력1.0~1.5mV/V
작동 전압5 - 10VDC최대 작동 전압10 VDC
보호 등급IP64보상 온도 범위-10~40℃
히스테라시스0.5%F.S.작동 온도 번위- 20~ 80℃
반복성0.5%F.S.절연 저항≥ 5000MΩ/100VDC
입력 임피던스380±30Ω(750±50Ω)출력 임피던스350±10Ω(700±10Ω)
CREEP(30분)0.5%F.S.출력에 대한 온도 영향0.2% F.S./10℃
영점 출력±0.05%mV/V온도가 제로에 미치는 영향0.2% F.S./10℃
허용 과부하150%최대 하중 한계200%
케이블 사이즈Φ3x3m수명풀스케일 100만회 이상
케이블 연결Ex+: 빨강 , Ex-: 검정 , Sig+: 녹색 , Sig-: 백색




하중방향




도면