MODEL : CM2

 소형 압축형 로드셀(3tf,5tf)

- 소형 압축형 로드셀로 설치가 간편
- 콤팩트한 사이즈로 폭넓은 시험 및 계량시스템에 적합
- 고강도 합금강 사용하고 표면은 무전해 니켈도금


 

제품사양 

CM2
정격용량 (R.C.)3tf, 5tf
정격출력 (R.O.)2mV/V±0.4%
비직진성0.3% of R.O.
히스테리시스0.1% of R.O.
반복성0.1% of R.O.
영점발란스±2% of R.O.
입력저항350 ±50Ω
출력저항350 ±2Ω
절연저항2000㏁
온도보상범위-10~70℃
허용온도범위-20~80℃
영점의 온도영향0.05% of R.O./10℃
출력의 온도영향0.1% of R.O./10℃
인가전압10V
허용과부하150% R.C.
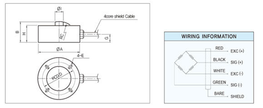
케이블길이Φ5mm 4core, 3m 




도면

*제품의 사양은 성능개선을 위해 예고없이 변경될 수 있습니다.