MODEL : UU2
인장 압축형 로드셀(100kgf)

- 초소형 고정밀 로드셀
- 압축 인장 겸용 로드셀
- 협소한 공간에 설치가 용이함



제품사양 

UU2
정격용량 (R.C.)10kgf, 20kgf, 30kgf, 50kgf, 100kgf
정격출력 (R.O.)2.0mV/V ± 25%
비직진성0.05% of R.O.
히스테리시스0.05% of R.O.
반복성0.03% of R.O.
영점발란스±1% of R.O.
입력저항350 ±80Ω
출력저항350 ±2Ω
절연저항2000㏁
온도보상범위-10~60℃
허용온도범위-20~80℃
영점의 온도영향±0.03% of R.O./10℃
출력의 온도영향±0.03% of LOAD/10℃
인가전압10V
허용과부하150% R.C.
케이블길이Φ3mm x 4core x 1m
재질10 ~ 30kgf : Aluminum
50 ~ 100kgf : Steel 




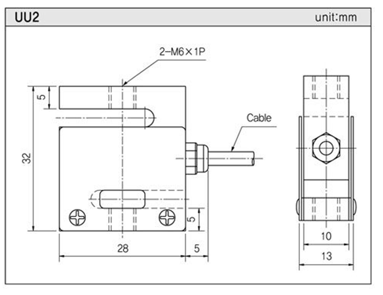
도면

*제품의 사양은 성능개선을 위해 예고없이 변경될 수 있습니다.