MODEL : CSMN-MT SERIES

압축형 로드셀(1kgf ~ 2tf)

- 압축 적용 미니어처 타입 / CE 인증 제품 / 보호 등급 IP66
- 소형 로드셀의 취부의 어려움 개선
- 하부 마운팅 설계로 측정 효율 증대 


제품사양 

CSMN-MT SERIES
정격용량 (R.C.)1,2,5,10,20,30,50,100,200,300,500 kgf ,1,2 tf
정격출력 (R.O.)1.0m±0.1mV/V
비직진성2.0% of R.O.
크리이프1.0% of R.O.
반복성1.0% of R.O.
영점발란스0.0± 0.1mV/V
입력저항350 ±20Ω
출력저항350 ±3.5Ω
절연저항>2000㏁@50V DC
온도보상범위-10~40℃
허용온도범위-20~80℃
영점의 온도영향0.03% of R.O./10℃
출력의 온도영향0.05% of R.O./10℃
인가전압10-15V
재질저용량( 1 kgf ~ 10 kgf )아노다이징 알루미늄
고용량 ( 20 kgf ~ 2 tf )스테인레스 스틸
케이블길이Braided shield 4-wire round cable with PVC-jaket, 3m 


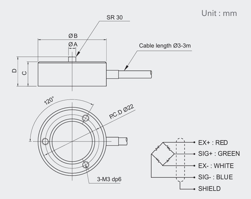
도면

CapacityABCD
1kgf3281012
2kgf
5kgf
10kgf
20kgf
30kgf
50kgf
100kgf
200kgf42815.816.5
300kgf
500kgf
1tf
2tf


*제품의 사양은 성능개선을 위해 예고없이 변경될 수 있습니다.