MODEL : CPIN SERIES

핀타입 로드셀(5tf ~ 200tf)

- 핀타입 로드셀 
- 크레인,산업용 기중기 등에 적용
- 양중기 과부하 방지 장치 인증 - 전용 콘트롤러 적용시


제품사양

CPIN SERIES
정격용량 (R.C.)3 tf ~200 tf
정격출력 (R.O.)1.0±1.5mV/V (Nominal)
비직진성2% of R.O.
크리이프0.1% of R.O.
반복성0.1% of R.O.
영점발란스0± 0.02mV/V
입력저항430 ±50Ω / 800±50
출력저항350 ±3.5Ω / 700±7
절연저항>2000㏁@50V DC
온도보상범위-10~40℃
허용온도범위-20~80℃
영점의 온도영향0.03% of R.O./10℃
출력의 온도영향0.05% of R.O./10℃
인가전압10-15V
재질니켈 도금 스틸
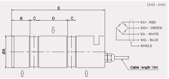
케이블길이Braided shield 4-wire round cable with PVC-jaket, 10m 


도면

CapacityABCDE
3tf34.9201359125
5tf54.922770128
10tf49.925560120
12tf59.9322884204
20tf53283140158
35tf119.7621027171
50tf10018510150550
*Special Order Mde : 50T 이상 200T

*제품의 사양은 성능개선을 위해 예고없이 변경될 수 있습니다.