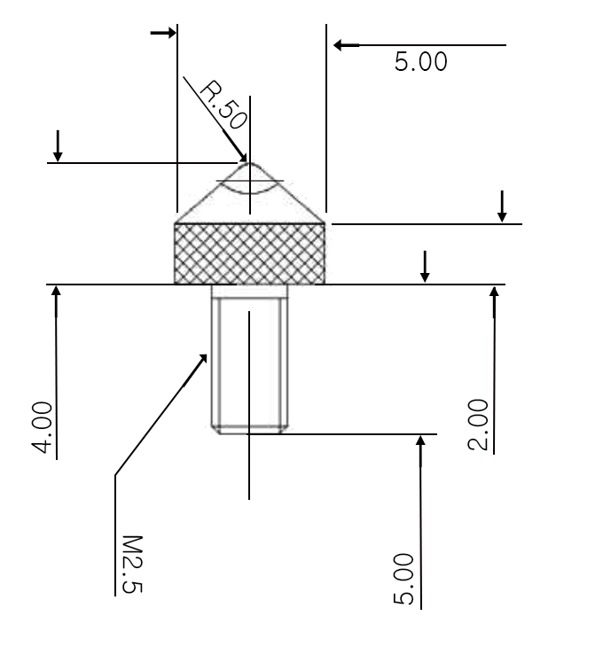
MODEL : KC-D

 - DIAMOND TIP

 

특징















다이아몬드 팁은 내마모성이 매우강한 측정자로서 원통가공기등에서 가공중 측정,
런아웃 측정 등의 동적인 상태에서의 측정에 유용하게 사용됩니다.
사양

























품번재질






KC-D다이아몬드
















사이즈






































*제품의 사양은 성능개선을 위해 예고없이 변경될 수 있습니다.