TCSWSocket Wrench Type Rotary Torque Transducer (20kgf.cm~2000kgf.cm)

 

FEATURE







· 소켓렌치 타입 회전형 토크센서
· 볼트 또는 너트의 조임과 풀림 토크측정
· 토크렌치 교정에 사용





 

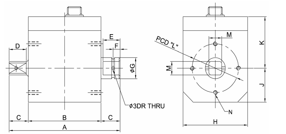
DIMENSION ( mm)







































 
  





   
Rated CapacitySoket sizeABCDEFΦGHJKΦLMN
20, 50kgf·cm 1/4″856012.51111414573052.5426.352x4-M4TAP DP8
 100, 200 kgf.cm 3/8″93631513135.517573052.5429.53 2x4-M4TAP DP8 
500 kgf·cm 1/2″11072191717720643248.54612.7 2x4-M4TAP DP8 
1000, 2000kgf·cm3/4″123752421211034844157.56819.1 2x4-M5TAP DP10