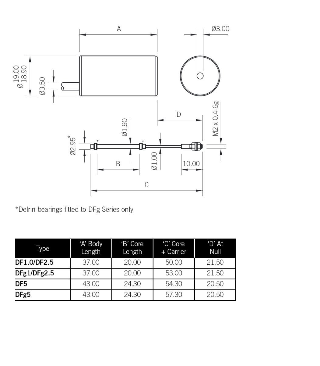
DF SERIES
LVDT



SPECIFICATION


DIMENSION ( mm)