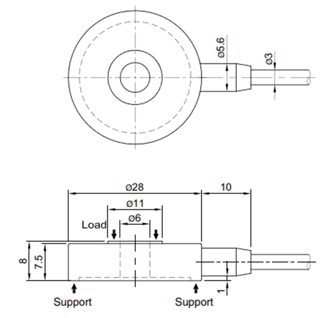
Model CWFS Series
와셔형 로드셀(20kg ~ 200kg)

- 박형 설계
- 스테인레스 스틸(17-4PH)


제품사양

모델CWFS
정격용량 (R.C.)20, 50, 100, 200kg
정격출력 (R.O.)2.0mV/V(Approx.)
비직선성≤0.2% R.O.
히스테리시스≤0.2% R.O.
반복성≤0.2% R.O.
크리이프≤0.2% in 20min.
제로발란스≤1% R.O.
온도보상범위-10 ~ 70°C
허용온도범위-20 ~ 80°C
출력의 온도영향 ≤0.1% LOAD/10°C
영점의 온도영향 ≤0.1% R.O./10°C
입력간저항780 Ohms ±30 Ohms
출력간저항 700 Ohms ±10 Ohms
절연저항 2000 MOhms at 50V DC
인가전압 3~5V(Recommended), 10V(Maximum)
연결케이블Ø3mmx1.5m (28AWG x 4Core Shielded)
보호등급 meets IP 64
허용과부하150% R.C
극한과부하300% R.C


형식명

형식명     
CWFS
-100
 
-모델
-용량 
 CWFS

20, 50, 100, 200kg
 



 
      


결선도


도면