Model CML Series
고용량 & 소형 압축 로드셀 (5t ~ 15t)

- 고용량 & 콤팩트한 사이즈
고강도 스테인레스강 (17-4PH) 사용


제품사양 

모델CML
정격용량 (R.C.)5, 10, 15 ton
정격출력 (R.O.)2mV/V(Norminal)
비직선성≤0.5% R.O.
히스테리시스≤0.5% R.O.
반복성≤0.2% R.O.
크리이프≤0.1% in 20min.
제로발란스≤1% R.O.
온도보상범위-10 ~ 70°C
허용온도범위-20 ~ 80°C
출력의 온도영향 ≤0.01% LOAD/°C
영점의 온도영향 ≤0.01% R.O./°C
입력간저항410±30 Ohms
출력간저항350±5 Ohms
절연저항 2000 MOhms at 50V DC
인가전압 3~12V(Recommended), 15V(Maximum)
연결케이블Ø3mmx1.5m (28AWG x 4Core Shielded)
보호등급 meets IP 65
허용과부하150% R.C
극한과부하300% R.C
재질스테인레스강 (17-4PH)


형식명

형식명     
CML
-3
 
-모델
-용량 
 



 
 CML

5, 10, 15 t 
      

 

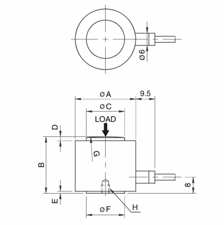
결선도


도면


CapacityΦABΦCDEΦFGH자중(kg)
5t
 (49.04kN)
2422142114R70M3x0.7P
 Depth 3
0.1
10t
 (98.07kN)
3028192119R100M4x0.7P
 Depth 3
0.14
15t
 (147.1kN)
3432232123R100M4x0.7P
 Depth 4
0.2