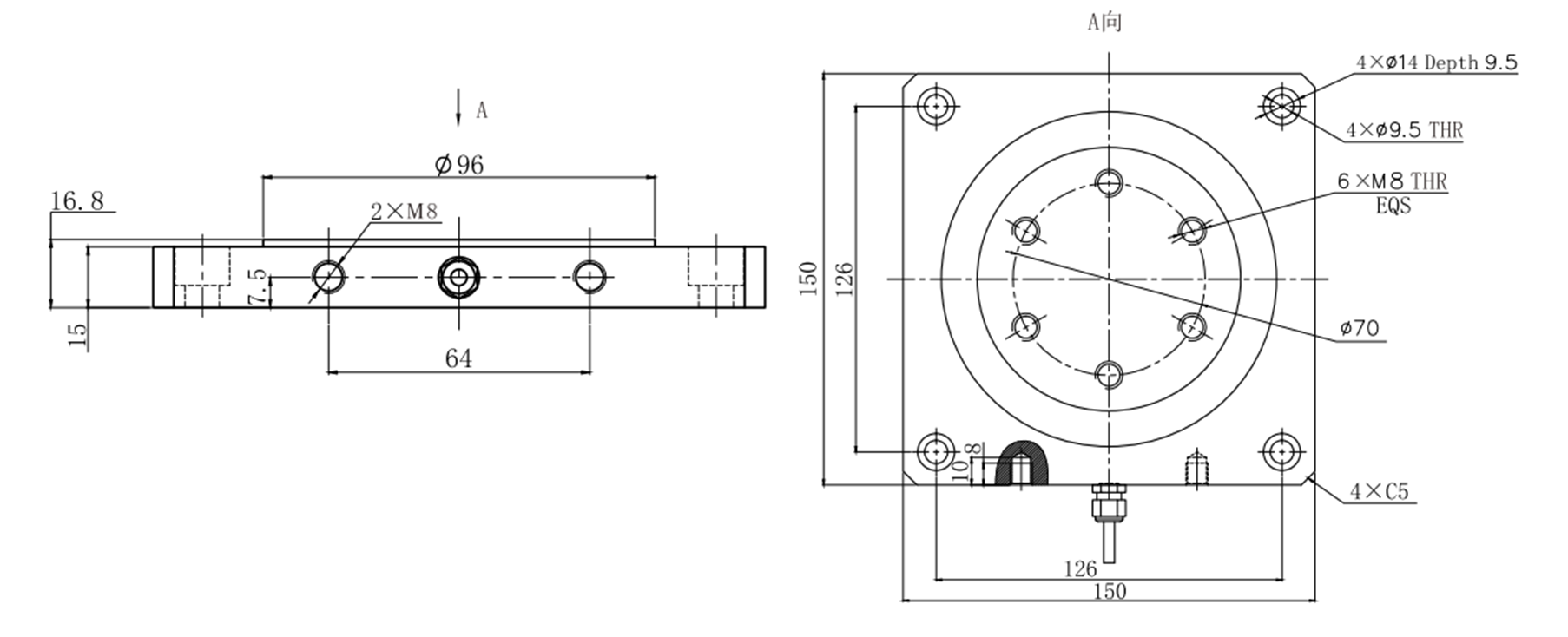
MODEL : XJC-B-L150-W150-H16.8
각형 로드셀(5T)

- 고정밀  스트레인 게이지 원리
- 0~5T 범위의 힘 측정
-설치 및 사용이 편리
- 높은 정밀도와 높은 안정성


 

제품사양

XJC-B-L150-W150-H16.8 SERIES
정격 용량0.5t,1t,2t,5t재질합금강
비선형성0.5% F.S.정격 출력2.0±10%mV/V
작동 전압5 - 10VDC최대 작동 전압10 VDC
보호 등급IP65보상 온도 범위-10~40℃
히스테라시스0.5%F.S.작동 온도 번위- 20~ 80℃
반복성0.5%F.S.절연 저항≥ 5000MΩ/100VDC
입력 임피던스750±50Ω출력 임피던스700±10Ω
CREEP(30분)0.1%F.S.출력에 대한 온도 영향0.2% F.S./10℃
영점 출력±2%mV/V온도가 제로에 미치는 영향0.2% F.S./10℃
허용 과부하150%최대 하중 한계200%
케이블 사이즈Φ4x4m수명풀스케일 100만회 이상
케이블 연결Ex+: 빨강 , Ex-: 검정 , Sig+: 녹색 , Sig-: 백색

    



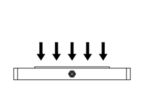
하중방향




도면