MODEL : XJC-TS-PP
각형 로드셀(50kg~10t)

- 고정밀  스트레인 게이지 원리
- 0~150kg 범위의 힘 측정
-브레이크 페달의 힘 측정용으로 설계
- 높은 정밀도와 높은 안정성 


 

제품사양    

XJC-TS-PP SERIES
정격 용량20kg,50kg,100kg,150kg재질알루미늄 합금
비선형성0.5% F.S.정격 출력0-5V
작동 전압24VDC최대 작동 전압24 VDC
보호 등급IP65보상 온도 범위-10~40℃
히스테라시스0.1%F.S.작동 온도 번위- 20~ 80℃
반복성0.1%F.S.절연 저항≥ 2000MΩ/50VDC
입력 임피던스750±50Ω출력 임피던스700±10Ω
CREEP(30분)0.1%F.S.출력에 대한 온도 영향0.05% F.S./10℃
영점 출력±2%F.S.온도가 제로에 미치는 영향0.05% F.S./10℃
허용 과부하120%최대 하중 한계200%
케이블 사이즈Φ4x4m수명풀스케일 100만회 이상
케이블 연결Ex+: 빨강 , Ex-: 검정 , Sig+: 녹색 , Sig-: 백색



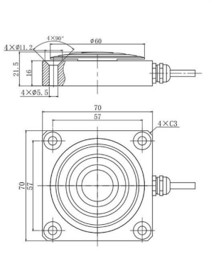
하중방향



도면